MDM0070沈娜娜苏清歌视频,佛爷气质离异第4部 小说章节,张家界吴敏小白龙原视频

新闻中心
电动汽车BMS主要芯片及厂商分析
发布时间:2024-01-22
浏览次数:157548次

在电动汽车当中,40%的成本来自电池,后者就像是为电动汽车提供“泵血功能”的心脏。而电池的性能和寿命则是衡量电动汽车性能的重要指标。如何掌握这些指标并保证每颗电池的运行状态达到最优?


全靠电池管理系统BMS(battery management system),它在电池运作系统中充当 “电池保姆”的角色。它处理的信号足够丰富,包括:电芯、碰撞、CAN、充电、水泵、高压、绝缘等等。



一次过放电就会造成电池的永久性损坏,极端情况下锂电池过热或者过充电会导致热失控、电池破裂甚至爆炸。所以,通过BMS能准确量测电池组使用状况,保护电池不至于过度充放电,平衡电池组中每一颗电池的电量,以及分析计算电池组的电量并转换为可理解的续航力信息,确保动力电池安全运作。


BMS中的主要芯片包括哪些?

AFE 模块:实现电池信息采集、状态监测等功能


AFE(模拟前端,Analog Front End Front End)是包含传感器接口、模拟信号调理 (Conditioning,包括阻抗变换、程控增益放大、滤波和极性转换等)电路、模拟多路开关、采样保持器、ADC、数据缓存以及控制逻辑等部件的存以及控制逻辑等部件的集成组件。有些 AFE 还带有 MCU、DAC 和多种驱动电路和多种驱动电路。


电池均衡模块:提升电池续航时间和循环寿命


电池不均衡会影响电池续航时间和电池循环寿命。电池不均衡表现为多节电池串联时各节电池电压不相等,尤其在充电末端和放电末端时表现明显。当满充容量不同的电池配组串联在 一起时,串联充电电流相同,但满充容量小的那个电池会先充到更高电压,从而表现为各节 电池电压不相等。即使满充容量相同,但 SOC 不同的电池配组串联在一起时,SOC 高的 那节电池的电压偏高,从而表现为各节电池电压不相等。即使满充容量相同、SOC 相同, 但各节电池的内阻 R 不同,则在充放电时 IR 压差不同,也会导致电池端电压不同。此外,一些外部因素(比如电池组局部受温或个体电池之间热不均衡)也会导致个体电池老化速率 不同从而内阻不均衡。最终都可能表现为各节电池电压不相等。


均衡电路主要包括主动均衡、被动均衡。主动均衡是把电量最多的那节电芯多出来的电量转 移给电量最少的那节电芯,或者转移给整串电池,实现能量回收。被动均衡是把电量最多的 那节电芯多出来的电量通过电阻发热消耗掉。



计算单元(MCU 等):实现控制、计算等功能


MCU 作为计算平台,需要满足 AEC-Q100、ISO26262 等认证。以 ADI 48V 油电混合 BMS 系统为例,MCU 起到继电器控制、SOC/SOH 估计、均衡控制、电芯电压、电流、温度数据 收集、数据存储等作用。相较于消费级和工业级 MCU,车规级 MCU 行业壁垒更高。车规级半导体对产品的可靠性、一致性、安全性、稳定性和长效性要求较高,研发难度较大:汽车行驶的外部温差较大,对芯片的宽温控制性能有较高要求;在产品寿命方面,整车设计寿命通常在 15 年及以上,远高于消费电子产品的寿命需求;在失效率方面,整车 厂对车规级半导体的要求通常是零失效;在安全性方面,汽车电子的高功能安全标准给复杂 性日益增长的电子系统量产化 提供了足够的安全保障。车规级半导体的供应周期需要覆盖 整车的全生命周期,供应需要可靠、一致且稳定,对企业供应链配臵和管理方面提出了较高要求。


隔离电路:实现高低压模块间电气隔离


隔离器件实现高低压模块间的电气隔离,技术路线包括光耦隔离和数字隔离。隔离器件是可 以将输入信号进行转换并输出,以实现输入、输出两端电气隔离的一种安规器件。电气隔离 能够保证强电电路和弱电电路之间信号传输的安全性,如果没有进行电气隔离,一旦发生故 障,强电电路的电流将直接流到弱电电路,对电路及设备造成损害。另外,电气隔离去除了两个电路之间的接地环路,可以阻断共模、浪涌等干扰信号的传播,让电子系统具有更高的 安全性和可靠性。高电压(强电)和低电压(弱电)之间信号传输的设备大都需要进行电气 隔离并通过安规认证。广泛应用于信息通讯、电力电表、工业控制、电动汽车等各个领域。



BMS芯片主要厂商在欧美


在BMS芯片中,可供选择的AFE并不多。我们能接触到的AFE内部结构大同小异,不同点在于采样通道数、内部ADC的数量、类型和架构。


AFE的主要供应商有ADI、TI、ST、松下、NXP和瑞萨。其中ADI的产品线主要来自收购的凌力尔特和美信(2019年,ADI收购凌力尔特后,和通用汽车等整车企业合作研发无线 BMS,推出了无线 BMS 系统与平台,在电池生产至回收的全周期内检测电池数据并分析,使动力电池价值最大化),瑞萨的产品主要来自收购来的Intersil。AFE产品的供应商主要是国外的企业,国内目前没看到有哪家厂商提供AFE芯片。

AFE主要供应商及产品型号


从MCU方面来看,供应商主要有TI、ST、NXP、英飞凌、瑞萨等。目前国内也有很多MCU厂商都在积极布局车规级产品,如中颖电子、兆易创新、北京君正、芯海科技、国民技术、紫光国微、纳思达、乐鑫科技、博通集成、复旦微电、上海贝岭、晶丰明源等等。

MCU主要供应商及产品型号


在ADC方面,目前主要的供应商有TI、ADI、ST、瑞萨等,多数是美国厂商,ST虽然有,但产品系列比较少。国内主要有上海贝岭、思瑞浦、圣邦股份、芯海科技。


在数字隔离方面,主要用在高低压之间的数字通信,比如在BMS主控板上的高压采样与MCU之间的SPI通信,以及采样板AFE与MCU的SPI通信。主要供应商有ADI、TI、Silicon Labs等。当然,除了使用数字隔离器外,也可以使用光耦、或者变压器隔离方案。


比较有代表性的BMS芯片


TI高精度电池监控、平衡、保护器


汽车电气化呈不可逆转之势快速发展,BMS系统成为首要核心问题。TI在电动汽车BMS领域颇有建树,先后发布了符合ASIL D标准的有线BMS和无线BMS解决方案,领先业界。



BQ79614-Q1电路拓扑 图源:TI


BQ79614-Q1是一款可应用与混合动力、纯电动汽车BMS模块高精度的电池监控器、平衡器和保护器,可对电池温度实时监控,为避免过热的情况出现,能自主进行暂停和启动操作。该芯片工作电压为12V,可在128μS内迅速为14块电池进行高精度地电压监测。


BQ79614-Q1芯片内部集成了前端滤波器和后置ADC低通滤波器。前端滤波器是为了降低成本,能够在电池输入电路上使用简单、低压的差分RC滤波器。ADC低通滤波器是为了对滤波后的直流电压进行监测,方便计算出电池的电荷状态。在该芯片可用于外部热敏电阻的测量BQ79614-Q1在通信方面可与BQ7600器件相连或直接通过UART接口与MCU完成通信。在通信线线路异常的情况下,MCU可以通过隔离式差分菊花链与电池组直接通信。


ST L9963E电池监测保护芯片


意法半导体(ST)引领半导体市场多年,芯片应用横跨多个领域,也成为了汽车芯片的主要供应商。在汽车领域,为满足市场及设计需求,推出了L9963E电池监测保护芯片,旨在解决全球包括中国电动汽车共同面临的电池管理系统设计难题。新产品采用一个独特的架构,能够测量4到14个串联电池单体,样本信号之间解除同步没有任何延迟,测试结果证明,虽然可以菊链式连接 31个L9963E,但是整链延迟仍然不到 4 s。

L9963E 的电压测量准确度非常高,最大误差为 ±2 mV,同时还能测量电流,了解每个电池单体的实际容量。此外,该产品的架构确保每个电池单体都有专门的资源用于处理芯片监测到的电数据,而市面同类产品通常在电池单体之间共享数据处理资源。通过为每个单体提供专用处理资源,我们可以提供同步读数,并可以避免因解除同步而引起的延迟。在菊链式网络结构内,L9963E 还可以通过串行总线通信,带宽达到2.66 Mbps,而业内带宽大多数都徘徊在 1 Mbps 左右。因此,读取和处理 434 个电池单体需要 4 毫秒到 16 毫秒。

EVAL-L9963E-MCU


随着电动汽车变得越便宜,成本制约因素变得越重要。功能强大但价格太高的芯片会失去大部分吸引力。与众不同的是,L9963E提供丰富的功能,但是没有增加裸片尺寸,继续保持成本效益。此外,传统的 BMS芯片要求每个电池单体必须并联一个外部齐纳二极管。在组装过程中,系统无法知道哪个电池单体第一个接触连接器,而且,这始终是一个随机事件,因此,每个电池单体上的齐纳二极管都要保护电池管理芯片。L9963E采用热插拔和稳健架构,工程师可以不用这些齐纳二极管,从而简化了印刷电路板布局,降低了总体成本。


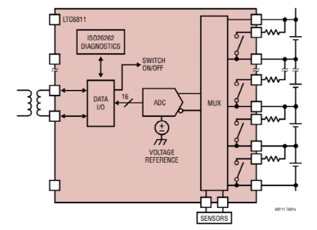
ADI 12路电池监视器


据ADI官网显示,早在2008年就推出了第一款集成式高压电池堆栈监控器,至今已经迭代更新到第四代,第五代产品还在研发阶段。

LTC6811-1框架图 图源:ADI


LTC6811-1是ADI的第四代BMS IC,是一款电池组监视器,最高可对12个串联电池进行电压检测,测量精度比ST L9963更高,总测量误差小于1.2mV,完成12节的电池检测仅需290μs。LTC6811-1可将多节电池串联起来,因此该芯片可在高电压的电池串中完成电池状态实时监测。该芯片给还具有ISOSPI接口,可实现与器件之间高速的远程通信。LTC6811-1能将12组电池通过菊花链连接,实现多通道通信的功能,监测电池状态,并根据电池当前状态进行暂停和启动操作,该芯片采用隔离式电源供电。


英飞凌 多通道电池监控和均衡系统 IC


英飞凌推出的电池管理IC包括 TLE9012DQU 和 TLE9015DQU 两个型号,为电池监控和均衡提供经过优化的解决方案。新电池管理IC可实现更高的测量精度与卓越的应用鲁棒性,为电池模块、无模组电池技术及电池底盘一体化技术的电池拓扑结构提供系统解决方案,可让汽车电池管理系统(BMS)解决方案能够达到汽车功能安全最高等级ASIL-D的要求,并符合ISO26262标准。

英飞凌的这套IC产品适用于工业级、消费级和汽车级应用,如轻度混合动力电动汽车(MHEV)、混合动力电动汽车(HEV)、插电式混合动力汽车(PHEV)和纯电动汽车(BEV),以及储能系统、两轮和三轮电动车的电池管理系统等应用,该IC系列产品包括TLE9012DQU和TLE9015DQU两个型号。


其中,TLE9012DQU是一款多通道电池监控和均衡系统芯片,能够进行高度精确的电压测量,以便估算电池充电状态(SoC)和电池健康状态(SoH),这也是所有电池管理系统都必须满足的关键要求。


TLE9015DQU是一款电池监控收发器芯片,用于将锂电池里的多个TLE9012AQU以菊花链结构连接起来。通过两对UART和iso UART接口可支持环型通信,降低成本并提高系统的效率。通过集成故障管理单元,该模块还可实现双向信息流。


国产BMS芯片怎么样了?


目前国内BMS芯片市场规模为每年数十亿颗,其中来自国内品牌的份额仅有两成,能够用于电动汽车的更是少之又少。大多被国外厂商所垄断,国内的BMS企业仅仅在此基础上进行二次开发,包括硬件设计、软件的搭建。

不过,国内的半导体企业已经在BMS芯片领域有所布局,受新冠影响,2020 年全球 BMS 市场规模增速下降,但我国 BMS 市场仍占据重要地位,据华经产业研究院,2020 年我国 BMS 市场需求规模为 97 亿元。未来随着电动汽车市场规模扩 大和电池效率要求提高,BMS 市场规模有望实现稳定增长,据 Business Wire 估计、前瞻产业研究院整理,2021 年全球 BMS 市场规模预计为 65.12 亿美元,至 2026 年预计可达 131 亿美元,CAGR 为 15%。据 Mordor Intelligence,2024 年全球电池管理芯片市场规模预计 达 93 亿美元,市场空间广阔。


电动汽车的废旧电池去哪了?


我国电动汽车销量自2015年开始放量,随着保有量不断增长,截至2022年3月底,全国电动汽车保有量达891.5万辆,占汽车总量的2.90%。

虽然BMS芯片在不断的升级换代,能够更好的优化电池性能,延长电池寿命,可一旦动力电池的容量衰减到80%就必须更换新电池。随着电动汽车近年来的发展,动力电池退役的数量呈现逐年增长态势。

2020年,国内累计退役动力电池超过20万吨,2021年,该数字约为32万吨,同比增长60%。业内预计,未来2-3年内动力电池将迎来大规模退役潮。到2025年后,每年退役电池数量增长将达百万量级。

退役电池如何处理,成为电动汽车产业迫在眉睫的发展难题。据统计,目前我国的动力电池回收率仅在10%左右,因此,废旧动力电池的回收利用需求渐显迫切。

工业和信息化部、科技部、生态环境部、商务部、市场监管总局近日联合印发了《新能源汽车动力蓄电池梯次利用管理办法》(以下简称《办法》)。该《办法》提出,鼓励梯次利用企业与电动汽车生产、动力蓄电池生产及报废机动车回收拆解等企业协议合作,加强信息共享,利用已有回收渠道,高效回收废旧动力蓄电池用于梯次利用。鼓励动力蓄电池生产企业参与废旧动力蓄电池回收及梯次利用。

6月17日,生态环境部等七部门联合发布《减污降碳协同增效实施方案》明确,推动能源供给体系清洁化低碳化和终端能源消费电气化,到 2030 年,大气污染防治重点区域电动汽车新车销量达汽车新车销量 50%左右。其中,提到“推进退役动力电池、光伏组件、风电机组叶片等新型废弃物回收利用”。

据了解,动力电池回收主要有两大方向——梯次利用、再生利用。在退役的动力电池容量处于20%-80%区间时,梯次利用是首选。当电池容量降至20%及以下,不具备梯次利用价值时,则可以再生利用。

欧洲、美国、日本等国较早发展电动汽车的国家与地区,已经建立起较为完善的动力电池回收体系,同时,越来越多的车企和设备公司开始把退役电池作为储能设备,为储能系统提供支持。大众汽车旗下的斯柯达,雷诺和日产等车企纷纷通过与能源公司合作,让退役电池在储能方面发挥着“余热”。





注:文章来源及版权属于电力电子技术与新能源论坛,捷迈科技仅作转载分享。


主站蜘蛛池模板: 石家庄市| 庄浪县| 沾化县| 新巴尔虎右旗| 庆阳市| 齐齐哈尔市| 鄱阳县| 定边县| 大方县| 乐安县| 凤冈县| 西乌| 扎赉特旗| 元朗区| 化州市| 北宁市| 镇平县| 独山县| 祁阳县| 竹溪县| 湘阴县| 建始县| 苍山县| 宁乡县| 太仆寺旗| 赤峰市| 萨迦县| 北票市| 辛集市| 礼泉县| 当涂县| 乌兰县| 营口市| 武汉市| 永宁县| 南木林县| 凤阳县| 大庆市| 沙雅县| 沾化县| 沁源县|